Купить газоход золоуловителя в Петропавловске-Камчатском

Производим газоходы по индивидуальному заказу. Системы газоходов могут включать в себя:

  • шиберы;
  • газоходы различного сечения;
  • переходы;
  • тройники;
  • карманы всасывающие ТДМ.
Изготовим
под заказ
Цена с НДС на газоход золоуловителя с доставкой в
от 30 000 рублей
Условия в
В наличии на складе
Доставка ТК по России и Казахстану
Безналичный расчет
Газоход золоуловителя
Газоход золоуловителя
Газоход золоуловителя
Технические
характеристики
Описание
товара
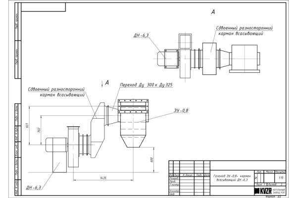
Чертеж газохода золоуловителя
Газоход золоуловителя чертеж
Чертеж газохода для золоуловителя
Газоход для золоуловителя чертеж

Газоход золоуловителя в Петропавловске-Камчатском

Газоходы применяются с золоуловителями. Газоходы соединяют газоочистное и тягодутьевое оборудование в единую систему аспирации или тракт дымоудаления.

Площадь и форма сечения газохода подбирается индивидуально, в зависимости от технического задания заказчика.

В зависимости от техзадания возможно изготовление:

  • зонта отбора воздуха;
  • воздухозаборных жалюзей;
  • газоходов с регулировочным шибером;
  • отвод 90 °, 45 ° (круглого и прямоугольного сечения);
  • газоходов типа: переходы (с круглого сечения на прямоугольное сечение, изменение размера сечения);
  • карман всасывающий для поворота газов с наименьшим аэродинамическим сопротивлением.

Применение

Газоходы применяются с золоуловителями и циклонами следующих марок:

Золоуловитель ЗУ - предназначен для сухой инерционной очистки газов от летучей золы размером более 50 мкм с максимальной температурой 260 °С. Эксплуатируется при температуре окружающего воздуха от -60 °С до +40 °С.

Циклоны ЦН 11 и ЦН 15 - используются для очистки аспирационного воздуха, а также для сухой очистки газов и воздуха, выделяющихся при некоторых процессах производства (обжиг, агломерация, сушка, сжигание топлива и т.д.). При небольших диаметрах циклонов не рекомендуется улавливание больших частиц пыли. Циклоны изготавливают одиночного и группового исполнения. Групповые аппараты могут быть с камерой очищенного воздуха в виде "улитки" или в виде сборника, а одиночные - только с улиткой.

Циклон ЦН 24 - предназначен для очистки пылевых потоков от крупных фракций твердых частиц пыли, размером более 20 мкм. Применяется для отделения от газообразной среды взвешенных частиц сухой пыли, образующейся в различных помольных и дробильных установках, деревообрабатывающей промышленности, при транспортировании сыпучих материалов, а также летучей золы. Не рекомендуется применять данные изделия для очистки газообразных сред, в которых имеются волокнистая или слипающаяся пыль, капельножидкая фаза, или вероятна конденсация паров.

Батарецные циклоны - предназначены для сухого улавливания золы. Представляют собой пылеулавливающий аппарат, составленный из большого количества параллельно установленных циклонных элементов, объединенных в одном корпусе и имеющих общие подвод и отвод газов, а также сборный бункер.

Циклоны ЛИОТ - предназначенны для средней и грубой очистки от сухой не волокнистой не слипающейся пыли размером до 10 мкм. Могут применяться как самостоятельные аппараты, либо в качестве ступени предварительной очистки. Не предназначены для очистки газообразной среды, которая содержит жидкую и капельную фазы.

Циклоны СДК ЦН 33 - предназначены для сухой очистки воздуха от сажегазовых и сажевоздушных смесей от твѐрдых частиц в системах пневмотранспорта, аспирации и пневмоуборки сажевого производства. Применяются для очистки газовоздушной среды от абразивных и слипающихся частиц.

Циклоны СК ЦН 34 - предназначены для очистки сажегазовых и сажевоздушных смесей от твёрдых частиц при пневмотранспортировке, аспирации и пневмоуборке сажевого (технического) углерода, очистка газового теплоносителя после распылительных сушилок дрожжевого производства гидролизных предприятий, эффективные при очистке газов от мелко-дисперсных пылей. Возможно использование во взрывоопасной, коррозионной среде.

Циклоны ЦОК - предназначены для очистки воздуха в вентиляционных системах от пыли с повышенными абразивными свойствами, допускается применение при слипающихся пылях типа сажи и талька и другими слипающимися средами. Не рекомендуется применять во взрывоопасных средах.

Купить газоход золоуловителя ЗУ

Для того чтобы купить газоход для золоуловителя в Петропавловске-Камчатском, в Петропавловске-Камчатском вы можете сделать заявку в отдел сбыта по телефону (38-52) 29-97-41 (42), либо оформить заявку онлайн. Наши менеджеры дадут консультацию по подбору оборудования и рассчитают стоимость доставки до вашего региона и населенного пункта.

Отзывы о продукции